Skip to main content Skip to search Skip to main navigation
Product Details
  • For setting rotatable adjustable potentiometers during the test
  • Floating, spring-mounted screwdriver head
  • Space-saving, quick, easy installation
  • Manually or electrical operation via flexible (or rigid) shaft, with optionally available step motor
  • Zero position can be detected via optionally available sensor (#25263)

Other products in this series:

Technical data
  • Manual test fixtures (MA): MA 2014, MA 2009, MA 2013, MA 2011, MA 2013T, MA 2012
  • MA exchangeable kits (ATS MA): ATS MAxxx, ATS MAxx
  • PA exchangeable kits (ATS PA): ATS PAxxxx, ATS PAZxxx
  • For dual-stage contacting: No
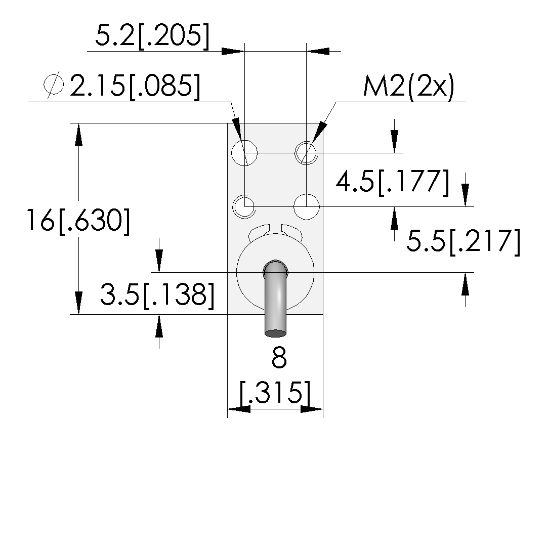
  • Stroke: 4 mm [.157 in]
  • Force: 3 N [10.7 ozf]
  • Installation grid: 8 mm [.314 in]
  • Blade dimensions (WxD): 2.5 x 0.5 mm [.098 x .019 in]
  • Flexible shaft diameter: 1.8 mm [.07 in]
  • Min. bending radius: 35 mm [1.37 in]
  • Flexible shaft length: 1,000 mm [39.3 in]
  • Length: 52.1 mm [2.05 in]
  • Product group: Screwing units
  • Series: SBE
  • Type: Einstellwerkzeug
  • Version: Flexible cable
  • Accessory type: Customising accessories
  • Scope of delivery: Incl. slotted / cross bit
  • Min. temperature: 10 °C [50 °F]
  • Max. temperature: 60 °C [140 °F]
  • RoHS-compliant: Yes
Suitable tools and accessories
Loading...